













Nous proposons des solutions sur mesures à des problématiques techniques.
Nous concevons et réalisons des machines spéciales afin d’assurer précision, performance et fiabilité à chaque étape de votre production (par exemple : mise en diamètre de brosses, contrôle de pièces par vision).
Nous développons des outillages sur mesure : retourneurs et basculeurs, outillages de manutention, solutions d’assistance, sécurité, confort des opérateurs.
Nous réalisons des calculs mécaniques complets : analyses par éléments finis, calculs analytiques, optimisation et dimensionnement des structures et rédaction de notes de calcul, dans le respect des normes en vigueur (Eurocodes, CODAP, FEM, Neige & Vent, etc.).
Nous assurons des études électriques complètes : conception et réalisation de dossiers à partir d’un cahier des charges, implantation, élaboration de dossiers de câblage selon synoptique, relevés sur site, câblage, ainsi que des études thermiques, pour garantir des installations fiables et conformes.
Nous réalisons vos scans 3D avec fourniture de nuages de points, relevés d’équipements et d’ateliers, ainsi que l’intégration de conceptions dans leurs environnements réels ou l’intégration de vos environnements dans nos études.
Nous concevons et réalisons des structures telles que plateformes, passerelles d’accès ou escaliers, accompagnées de fichiers NC pour la découpe, de charpentes hors bâtiment et de la rédaction complète des nomenclatures.
Nous vous accompagnons dès les premières étapes de vos projets industriels pour structurer vos besoins sécuriser vos décisions et gagnez en efficacités.
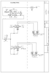
Nous réalisons des études pneumatiques complètes : schémas conformes aux normes client, dossiers de tuyautage, conception de dossiers à partir d’un cahier des charges, implantation d’armoires et de coffrets en 2D/3D, mise à jour de schémas existants et relevés sur site.